Simple DC Voltmeter Circuit Diagram In this project, you will construct a simple analog multimeter. illustrated in Figure 1, which supports both voltage and current measurements. Figure 1. Illustration of the analog multimeter built in this project. Parts and Materials. Sensitive meter movement; Selector switch, single-pole, multi-throw, break-before-make Mr Swagatam hi; when I test the circuit with 3 single display s assigned for measuring the 0-99 volt, I can see the value 00.0 and the decimal display fluctuates between 1 and 2 (100-200 mV). however there is no any voltage value if other 12 volt voltage source is added to the circuit as their grounds are common. Another point is that there is no display of the numbers but except dot if the

In this project we have a tendency to design a circuit to build an electronic voltmeter while not making use of any microcontroller. Here we have a tendency to employing a very moderate IC for voltage activity particularly ICL7107/CS7107. Making use of ICL7107, we are able to build correct and really low price digital voltage measurement meter. We have made a video tutorial about this project. If you want to know the simple theory behind the coding, then do watch the following video. Follow the circuit diagram and make the following circuit. Step 4: It's Done! Let's wrap this up. Just plug in the battery or any voltage source to measure and you can see the voltage written on

How to Make a Simple Digital Voltmeter with an Arduino Circuit Diagram
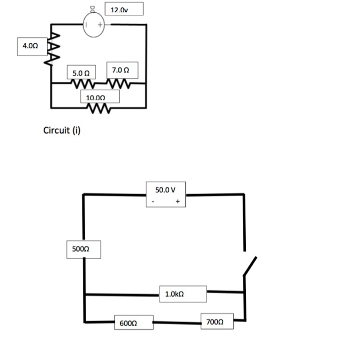
But to measure greater levels of voltage, something more is needed. To get an effective voltmeter meter range in excess of 1/2 volt, we'll need to design a circuit allowing only a precise proportion of measured voltage to drop across the meter movement. This will extend the meter movement's range to higher voltages.
In order to measure voltages higher than the 5 V reference voltage, you need to divide the input voltage. Then the voltage actually input to the Arduino is 5 V or less. in this experiment, we will use a 10 kohm, along with a 90.9 kohm resistor, to create a 10:1 divider. This will allow us to measure voltages up to 50 V. Hardware Required

Basic Electronics Tutorials ... Circuit Diagram
Then all we need to do is re-label the scale to read from zero to the new measured voltage value. This simple series-connected voltage divider circuit can be expanded further to have a range of different "multiplier" resistors within it design thereby allowing the voltmeter to be used to measure a range of different voltage levels at the

Working of this Digital Voltmeter Circuit is very simple. ADC inside the IC is integrating converter or Dual type Analog to digital converter. I have same design ckt of volt meter but the problem be is when I calibrate 5v =12.00 v the the meter reading will changes 0.10 v & it will slowly decresing reading , it's take 2 to 3 min for showing The transistors are BC640, however you may try other transistors like 8550 or 187 etc. The proposed digital voltmeter, ammeter circuit module can be effectively used with a power supply for indicating the voltage and current consumption by the connected load through the attached modules. Referring to the circuit diagram below, the 3 digit digital display module is build through the ICs CA 3162 Your task is to show where this formula comes from, deriving it from Ohm's Law and whatever other equations you may be familiar with for circuit analysis.. Hint: in both cases (decade box set to R 1 and set to R 2), the voltage across the meter movement's coil resistance is the same, the current through the meter movement is the same, and the power supply voltage is the same.