PDF IoT BASED LED SCROLLING DISPLAY Circuit Diagram Construct an 8x7 (row x column) LED matrix first and build a prototype control circuit on a breadboard using Arduino Nano, 2 Shift Register (1 for row and 1 for column) with necessary Transistor and Resistors according to the schematic. Then Upload the code to the Arduino and run the circuit. Standstill Message on LED Display - Program Flowchart Scrolling LED Sign. To scroll the text we will use a variable called 'scroll'. This scroll variable is incremented each time after every column cycle. Once if all the columns of the display array are enabled and corresponding row data is issued then the column cycle completes.

LED_Scrolling_Display_Project_Working_Wi.pdf - Free download as PDF File (.pdf), Text File (.txt) or read online for free. This document discusses the design and implementation of a scrolling LED display using a microcontroller. It describes the circuit diagram for driving LEDs in a scrolling display using a shift register. It explains how to construct an LED dot matrix and array to display In this tutorial we are going to design an 8x8 LED Matrix Scrolling Display using Arduino Uno, which will show scrolling alphabets.. 8x8 LED Matrix contains 64 LEDs (Light Emitting Diodes) which are arranged in the form of a matrix, hence the name is LED matrix. We are going to make this Matrix by soldering these 64 LEDs on to the perfboard or DOT PCB. A monochrome (single colour) LED dot matrix display is used for displaying the Characters and Symbols which is interface with a microcontroller. This project will deliberate on displaying a scrolling text message on a 48ร8 LED dot matrix display. The microcontroller used is Arduino Uno which is open source prototype Electronic platform.

Simple Scrolling RGB LED Circuit Circuit Diagram
Circuit Diagram is shown in the figure. MCLR pin is pulled up using 10K Resistor. USB 2 Serial Converter connected in RC6 and RC7 as it support UART Communication and baudrate is 9600 bps. Here used 20 MHz crystal oscillator. Pins for (p10) LED Scrolling Display can use any digital Pin. In this project we used, EN - RB4 ; A - RB5 Anode Circuit in LED Scrolling Board. Some microcontrollers don't have enough output voltage/currents to drive the rows of the LED scrolling display board. Hence, we need to place a transistor array or a latch between the led matrix and microcontroller. Usually for LED Scrolling board, the latch is enough to provide sufficient current.

A custom-designed circuit diagram can be used to create a variety of projects, such as LED scrolling displays. This type of project is a great way to bring attention to any business, organization, or event. Scrolling Led Display Circuit Diagram Working Its Applications.

LED Scrolling Display Board Circuit Using AVR Microcontroller Circuit Diagram
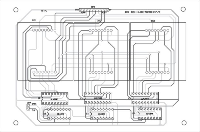
LED scrolling display circuit and working. The circuit diagram is divided here into two parts. The first part has a power supply and controller circuit as shown in Fig. 3. The display unit is in the second part as shown in Fig. 4. The power supply circuit is built around a step-down transformer, bridge rectifier and 5V regulator. When green LED sequencing elapses it's yet again replaced by the IC1 for processing the red LEDs, and the entire procedure starts simulating a dazzling RGB LED scrolling effect. Scrolling Display Simulation. The above shown animated simulation provides an exact replica of the scrolling of the LEDs that may be expected from the proposed design.